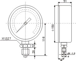
| 型號 | 彈簧管材料 | 測量范圍(MPa) | 精確等級 | 結構特點 |
| YB-150A | 錫磷青 銅鉻釩鋼 | 0~0.1;0~0.16;0~0.25;0~0.4; 0~0.6;0~1;0~1.6; 0~2.5; 0~4;0~6;0~10;0~16; 0~25;0~40;0~60; | 0.4 | 鏡面 |
| YB-150B | 0.25 | 鏡面調零 |
○使用環境條件:5~40℃,相對濕度不大于80%,且環境震動和壓力源的波動對儀表的精確讀數無影響。
○溫度影響:使用環境溫度如偏離20±3℃(A型)或20±2℃(B型)時,則須考慮溫度附加誤差0.4%/10℃
○重量:1kg(A型) 1.4kg(B型)

咨詢:壓力表